

【重型卡車柴油發動機電路與電腦針腳圖集大全】
編輯推薦
資料新而全,是重卡維修資料圖書市場上的稀缺產品。 彌補市場空白。
內容簡介
本書分品牌整理了國三、國四排放標準柴油發動機的電力維修資料,內容主要分為電力原理線路圖與發動機電腦針腳分佈及定義,部分還附有端子檢測參攷數據與故障程式碼資訊。 資料涉及的品牌既有國外的,如康明斯、五十鈴、日野、日產柴UD、三菱、雷諾、鬥山等,也有國內,如濰柴、錫柴、玉柴、朝柴、大柴、上柴等。 這些發動機大多裝載在國內外重型卡車廠商所生產的商用車型上,這給重型卡車的發動機電力維修與診斷提供了寶貴的資訊。
本書編排緊湊,內容實用,在重卡和柴油機電控資料稀缺的情况下,實為廣大相關重卡及電控柴油機產品行業科技工作人員難得的工具資料。 同時,本書也可供各汽車職業院校與培訓機構作為教學參考書使用。
目錄
第1章康明斯發動機1
1.1康明斯ISB4/ISBE發動機電控系統電路1
1.1.1發動機電控系統電路1
1.1.2發動機電腦針腳資訊3
1.1.3發動機電控系統故障程式碼5
1.2康明斯ISC發動機電控系統電路6
1.2.1發動機電控系統電路6
1.2.2發動機電腦針腳資訊10
1.2.3發動機電控系統故障程式碼11
1.3康明斯ISDE CM2150發動機電控系統電路12
1.3.1發動機電控系統電路12
1.3.2發動機線束連接端子資訊13
1.4康明斯ISF3.8CM2220發動機電控系統電路15
1.4.1發動機電控系統電路15
1.4.2發動機電腦針腳資訊16
1.5康明斯ISG11/12CM2880發動機電控系統電路17
1.5.1發動機電控系統電路17
1.5.2發動機線束連接端子資訊18
1.6康明斯ISLE CM2150發動機電控系統電路19
1.6.1發動機電控系統電路19
1.6.2發動機線束連接端子資訊21
1.7康明斯ISM CM570發動機電控系統電路22
1.7.1發動機電控系統電路22
1.7.2發動機電腦針腳分佈24
1.8康明斯ISM11 CM876發動機電控系統電路24
1.8.1發動機電控系統電路24
1.8.2發動機線束連接端子資訊26
1.9康明斯ISZ CM2150發動機(乘龍H7車型)電控電路27
第2章五十鈴發動機28
2.1五十鈴4HK1發動機電控系統電路28
2.1.1發動機電控系統電路28
2.1.2發動機電腦針腳資訊29
2.2五十鈴4JH1發動機電控系統電路29
2.2.1發動機電控系統電路29
2.2.2發動機電腦針腳資訊30
2.3五十鈴4JJ1發動機電控系統電路34
2.3.1發動機電控系統電路34
2.3.2發動機電腦針腳資訊35
2.4五十鈴4JB1發動機電控系統電路38
2.4.1發動機電控系統電路38
2.4.2發動機電腦針腳資訊39
2.5五十鈴4KH1發動機電控系統電路40
2.5.1發動機電控系統電路40
2.5.2發動機電腦針腳資訊41
2.6五十鈴6HE1發動機電控系統電路45
2.6.1發動機控制系統電路45
2.6.2發動機電腦針腳資訊46
2.7五十鈴6HK1發動機電控系統電路47
2.7.1發動機電控系統電路47
2.7.2發動機電腦針腳資訊48
2.8五十鈴6WA1發動機電控系統電路50
2.8.1發動機電控系統電路50
2.8.2發動機電腦針腳資訊51
2.9五十鈴6WG1發動機電控系統電路54
2.9.1發動機電控系統電路54
2.9.2發動機電腦針腳資訊55
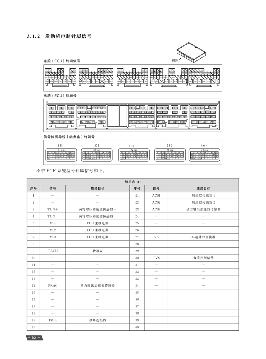
第3章日野發動機59
3.1日野P11C發動機電控系統電路59
3.1.1發動機電控系統電路59
3.1.2發動機電腦針腳訊號62
3.2 E13C發動機電控系統電路68
3.2.1發動機電控系統電路68
3.2.2發動機電腦針腳訊號69
3.3 J05E/J08E發動機電控系統電路75
3.3.1發動機電控系統線束連接75
3.3.2 J05E發動機電控系統方框圖77
3.3.3 J08E發動機電控系統電路78
第4章日產柴UD發動機79
4.1日產柴UD MD9L MD9M發動機電控系統電路79
4.1.1發動機電控系統電路79
4.1.2發動機電腦針腳資訊80
4.1.3發動機電控系統檢測標準值81
4.1.4發動機電控系統故障程式碼82
4.2日產柴UD GE13發動機電控系統電路88
4.2.1發動機電控系統(類型Ⅰ、類型Ⅱ)電路88
4.2.2日產柴GE13端子功能90
4.2.3日產柴GE13故障碼95
4.2.4日產柴GE13發動機感測器檢測值100
4.3日產柴UD FE6TC發動機電控系統電路102
4.3.1發動機電控系統(類型1)電路102
4.3.2發動機電腦(類型1)針腳資訊103
4.3.3發動機電控系統(類型2)電路104
4.3.4發動機電腦(類型2)針腳資訊105
第5章濰柴發動機106
5.1濰柴WP10/WP10N發動機電控系統電路106
5.1.1發動機電控系統電路106
5.1.2發動機電腦針腳資訊107
5.2濰柴WP10/WP12發動機電控系統電路108
5.2.1發動機電控系統(陝汽德龍F3000裝用)電路108
5.2.2發動機電腦針腳資訊109
5.2.3發動機電控系統故障程式碼112
5.3濰柴WP13發動機(陝汽德龍X3000車型)電路114
5.4濰柴WD615發動機電控系統電路115
5.5濰柴博世系統瓦斯發動機電控電路116
5.5.1發動機電控系統電路116
5.5.2發動機電腦針腳資訊118
5.6濰柴博世EDC17系統共軌發動機電控電路121
5.6.1發動機電控系統電路121
5.6.2發動機電腦針腳資訊123
第6章錫柴發動機124
6.1錫柴CA4DL發動機電控系統電路124
6.1.1發動機電控系統電路124
6.1.2發動機電腦針腳資訊125
6.1.3發動機電控系統故障程式碼127
6.2錫柴CA4DL1發動機電控系統電路129
6.2.1發動機電控系統(帶繼電器型)電路129
6.2.2發動機電控系統(不帶繼電器型)電路130
6.3錫柴CA4DF3發動機電控系統電路131
6.3.1發動機電控系統電路131
6.3.2發動機電腦針腳資訊132
6.4錫柴CA6DF3發動機電控系統電路133
6.4.1發動機電控系統電路133
6.4.2發動機電腦針腳資訊134
6.5錫柴CA6DL發動機電控系統電路138
6.5.1發動機電控系統(HP0輸油泵型)電路138
6.5.2發動機電腦(HP0輸油泵型)針腳資訊139
6.5.3發動機電控系統(HP4輸油泵型)電路142
6.5.4發動機電腦(HP4輸油泵型)針腳資訊143
6.5.5發動機電控系統故障程式碼145
6.6錫柴CA6DL1發動機電控系統電路148
6.6.1發動機電控系統(不帶繼電器型)電路148
6.6.2發動機電控系統(帶繼電器型)電路149
6.6.3發動機電腦針腳資訊150
6.7錫柴CA6DL2/L3發動機電控系統電路151
6.7.1 CA6DL2發動機電路151
6.7.2 CA6DL32發動機電路152
6.7.3 CA6DL32發動機電控系統故障程式碼153
第7章玉柴發動機155
7.1玉柴YC4F發動機電控系統電路155
7.1.1發動機電控系統電路155
7.1.2發動機連接線束端子資訊156
7.2玉柴YC6L-40發動機電控系統電路158
7.2.1發動機電控系統電路158
7.2.2發動機電控系統故障程式碼162
7.3單體泵南嶽系統電路圖163
7.3.1四缸發動機電控系統電路163
7.3.2六缸發動機電控系統電路164
7.3.3發動機車輛電力連接電路165
7.4單體泵威特系統電路圖167
7.4.1發動機電控系統電路167
7.4.2發動機電腦針腳資訊168
7.5單體泵德爾福系統電路圖169
7.5.1發動機電控系統電路169
7.5.2車輛電力連接電路170
7.5.3發動機線束端子資訊173
7.6玉柴-CNG-LNG瓦斯系統電路圖174
7.6.1玉柴ECI HD EPR系統CNG發動機工作原理圖174
7.6.2玉柴ECI HD EPR系統LNG發動機工作原理圖174
7.6.3玉柴ECI系統6缸機電路原理圖175
7.6.4玉柴ECI系統6缸機整車電路176
7.6.5玉柴ECI系統6M、6J、4G系統發動機整車電路圖177
7.6.6玉柴ECI系統6G系統發動機整車電路圖178
7.6.7玉柴瓦斯(OH1.2系統)發動機電路179
7.6.8玉柴瓦斯(OH2.2系統)發動機電路180
7.6.9玉柴ECI CFV(第4G系統)整車與發動機線束電路181
7.7玉柴博世共軌國三發動機電路182
7.7.1發動機電控系統電路182
7.7.2整車電力連接電路183
7.7.3發動機電腦針腳訊號183
7.8玉柴博世共軌國四發動機電路184
7.8.1發動機電控系統電路184
7.8.2整車電力(EDC7_V47+三立SCR處理)連接電路185
7.9玉柴博世共軌EDC17_ V54+EGR系統發動機電路186
7.9.1發動機電控系統電路186
7.9.2整車電力連接電路187
7.10玉柴6K(博世EDC17)聯合動力系統發動機電路188
第8章其他國內品牌柴油機189
8.1上柴SC9DF發動機電控系統電路189
8.1.1發動機電控系統電路189
8.1.2發動機電腦針腳資訊190
8.1.3發動機電控系統故障程式碼192
8.2大柴博世單體泵發動機電控系統電路194
8.2.1六缸發動機電控系統電路194
8.2.2六缸發動機電腦針腳資訊195
8.2.3四缸發動機電控系統電路196
8.2.4四缸發動機電腦針腳資訊197
8.3朝柴博世共軌發動機電控系統電路198
8.3.1發動機電控系統電路198
8.3.2發動機電腦針腳資訊199
8.4雲內動力YN33發動機電控系統電路200
8.4.1發動機電控系統電路200
8.4.2發動機電腦針腳資訊201
8.5重汽杭發WD615發動機電控系統電路202
8.5.1發動機國三電控系統電路圖202
8.5.2發動機電腦(ECU)針腳資訊203
8.6重汽杭發D12發動機電控系統電路205
8.6.1發動機國三電控系統電路圖205
8.6.2發動機電腦(ECU)針腳資訊206
8.7 SCR後處理系統配對系統電路209
8.7.1博世EDC17-SCR(762電加熱版)電路209
8.7.2國四FEUP-SCR系統發動機電路210
8.7.3新國四RECUP-天納克SCR系統發動機電路211
8.7.4天納克1.5代SCR後處理系統電路212
第9章其他國外品牌柴油機215
9.1三菱FUSO 4M50發動機電控系統電路215
9.1.1發動機電控系統電路215
9.1.2發動機電腦針腳資訊216
9.2三菱6M70發動機電控系統電路217
9.2.1發動機電控系統電路217
9.2.2發動機電腦針腳資訊218
9.3鬥山DL06發動機電控系統電路220
9.3.1發動機電控系統電路220
9.3.2發動機電腦針腳資訊221
9.3.3發動機電控系統連接線束224
9.4鬥山DV11發動機電控系統電路226
9.4.1發動機電控系統電路226
9.4.2發動機電腦針腳資訊228
9.4.3發動機電控系統連接線束230
9.5索菲姆博世共軌發動機電控系統電路233
9.5.1發動機電控系統電路233
9.5.2發動機電腦針腳資訊234
9.6東風雷諾DCi11發動機電控系統電路235
9.6.1發動機電控系統(博世EDC7)電路235
9.6.2發動機電腦(MS6.3系統)針腳資訊235
9.6.3發動機電腦(EDC7系統)針腳資訊238
9.7一汽大柴道依茨BFL1013/2012/2013型發動機電控系統電路241
9.7.1發動機電控系統電力連接圖241
9.7.2發動機電腦針腳資訊242
9.8科索C9發動機(紅岩傑獅車型)電控系統電路244
9.8.1發動機電控系統電路244
9.8.2發動機電控系統故障碼245












-------------------------------------------------------------

【重型卡車整車電力線路圖集大全】
內容簡介
本書收集整理了目前國內常見重型載貨汽車電力線路方面的技術資料。 具體品牌包括重汽豪沃、福田歐曼、解放J5-J6車系、陝汽德龍-奧龍-德禦車系、東風天龍-乘龍車系、江淮格爾發車系、北奔重卡、日野700車系、聯合卡車、傑獅等。 線路圖都為整車電路圖,包括發動機電控系統、底盤電控系統、車身電力等。
本書編排緊湊,內容實用,在當今重型汽車和柴油電控資料稀缺的情况下,實為廣大相關重卡及電控柴油機維修行業科技人員的寶貴參考資料。 同時,本書也可供各汽車職業院校與培訓機構作為教學參考讀物使用。
目錄
1重汽豪沃車系整車電力線路圖1
1.1豪沃EGR車型CSA(儀錶)整車電力線路圖1
1.2豪沃共軌車型(SAC儀錶)整車電力線路圖9
1.3豪沃瓦斯車型整車電力線路圖21
1.4豪沃T7H車系(AMT-EDC17-CBCU系統)整車電力線路圖30
2福田歐曼車系整車電力線路圖44
2.1歐曼EXT自卸車整車電力線路圖44
2.2歐曼EXT牽引車整車電力線路圖53
2.3歐曼GTL(CBCU)車型整車電力線路圖63
3一汽解放車系整車電力線路圖76
3.1解放J5換代標配車型電力線路圖76
3.2解放J5換代高配車型電力線路圖85
3.3解放J5車型國三標準整車電力線路圖98
3.4解放J5M配DEUTZ歐4標準電力線路圖115
3.5解放J6P車型電控系統電力線路圖126
4陝汽重卡德龍車系整車電力線路圖130
4.1德龍F2000車型整車電力線路圖130
4.2德龍F3000車型整車電力線路圖137
4.3德龍新M3000瓦斯車型整車電力線路圖142
4.4德龍新M3000 EGR車型整車電力線路圖148
4.5德龍X3000車型整車電力線路圖151
4.5.1康明斯ISM發動機配寘車型線路圖151
4.5.2濰柴WP13(BCM)發動機配寘車型線路圖156
4.5.3瓦斯(BCM)車型線路圖161
4.5.4 EDC17(CBCU)系統配寘車型線路圖165
4.5.5 X3000 EDC17 DeNOx2.2系統配寘車型線路圖169
5陝汽重卡奧龍-德禦車型電力線路圖173
5.1奧龍濰柴WP發動機配寘車型電力線路圖173
5.2奧龍S2000車型電磁離合器風扇電力線路圖(ECU控制)180
5.3德禦配濰柴WP發動機車型電力線路圖181
6東風天龍車系整車電力線路圖189
6.1天龍配雷諾DCI-EDC7系統發動機車型電力線路圖189
6.2天龍配雷諾DCI-LNG發動機車型電力線路圖196
6.3天龍配康明斯ISLE發動機車型電力線路圖202
7東風乘龍車系電力線路圖203
7.1乘龍H7車型配載發動機電控系統電路圖203
7.2乘龍H7車型底盤電控系統電路圖207
7.3乘龍H7車型車身電器與附件電路圖209
7.4乘龍M7車型整車電力線路圖218
7.5乘龍M5車型整車電力線路圖226
7.6乘龍M3車型整車電力線路圖237
8江淮重卡格爾發車系整車線路圖245
8.1格爾發AL、KL整車電力線路圖245
8.2格爾發AW、KW整車電力線路圖251
9北奔重卡自卸車型整車電力線路圖257
10廣汽日野700車系電力線路圖263
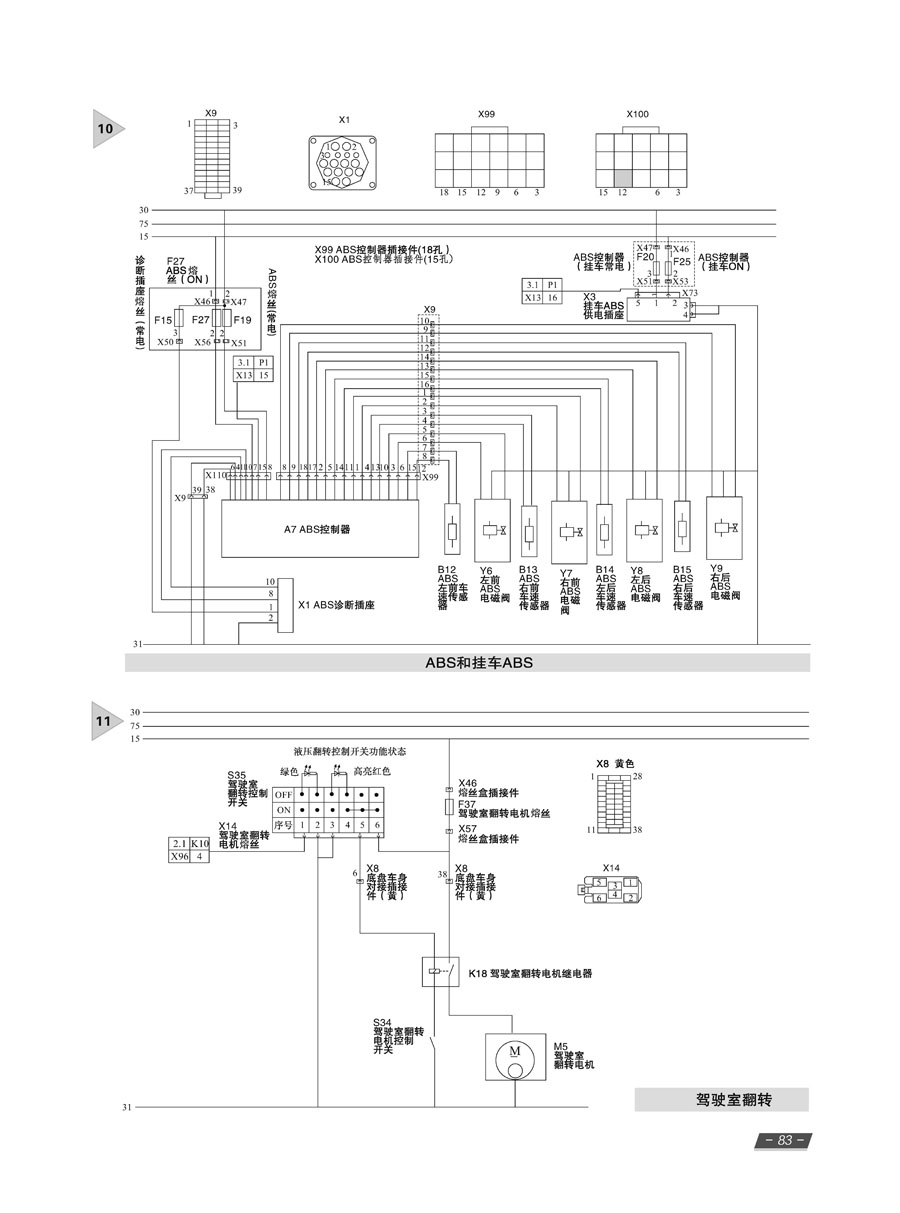
10.1日野700系列底盤電控系統電路圖263
10.2日野700系列儀錶電力線路圖267
10.3日野700系列空調電力線路圖268
10.4日野700系列電源與接地分配電路269
10.5日野700系列熔絲與繼電器位置272
11聯合卡車線束端子圖與針腳資訊277
11.1聯合卡車底盤控制模塊針腳資訊277
11.2聯合卡車BCM車身控制模塊針腳資訊279
11.3聯合卡車車門控制模塊針腳資訊282
11.4線束介面定義284
12紅岩傑獅車系整車電力線路圖289
12.1傑獅C100歐Ⅲ車型電力線路圖289
12.2傑獅豪華版S100車型電力線路圖298










新竹錢**[0938***747]
25分鐘前【重型卡車整車電力線路圖集大全】+【重型卡車柴油發動機電路與電腦針腳圖集大全】(兩卷) - 【重型卡車整車電力線路圖集大全】
臺北鄭**[0918***846]
20分鐘前【重型卡車整車電力線路圖集大全】+【重型卡車柴油發動機電路與電腦針腳圖集大全】(兩卷) - 【重型卡車整車電力線路圖集大全】+【重型卡車柴油發動機電路與電腦針腳圖集大全】(兩卷)
臺中鍾**[0918***915]
15分鐘前【重型卡車整車電力線路圖集大全】+【重型卡車柴油發動機電路與電腦針腳圖集大全】(兩卷) - 【重型卡車柴油發動機電路與電腦針腳圖集大全】
新北鄭**[0946***466]
12分鐘前【重型卡車整車電力線路圖集大全】+【重型卡車柴油發動機電路與電腦針腳圖集大全】(兩卷) - 【重型卡車整車電力線路圖集大全】+【重型卡車柴油發動機電路與電腦針腳圖集大全】(兩卷)
新竹柳**[0918***577]
20分鐘前【重型卡車整車電力線路圖集大全】+【重型卡車柴油發動機電路與電腦針腳圖集大全】(兩卷) - 【重型卡車柴油發動機電路與電腦針腳圖集大全】
高雄謝**[0988***367]
12分鐘前【重型卡車整車電力線路圖集大全】+【重型卡車柴油發動機電路與電腦針腳圖集大全】(兩卷) - 【重型卡車整車電力線路圖集大全】+【重型卡車柴油發動機電路與電腦針腳圖集大全】(兩卷)
新北錢**[0998***148]
25分鐘前【重型卡車整車電力線路圖集大全】+【重型卡車柴油發動機電路與電腦針腳圖集大全】(兩卷) - 【重型卡車整車電力線路圖集大全】
桃園方**[0968***417]
12分鐘前【重型卡車整車電力線路圖集大全】+【重型卡車柴油發動機電路與電腦針腳圖集大全】(兩卷) - 【重型卡車整車電力線路圖集大全】+【重型卡車柴油發動機電路與電腦針腳圖集大全】(兩卷)
新北鍾**[0988***754]
4分鐘前【重型卡車整車電力線路圖集大全】+【重型卡車柴油發動機電路與電腦針腳圖集大全】(兩卷) - 【重型卡車柴油發動機電路與電腦針腳圖集大全】
臺南王**[0968***830]
15分鐘前【重型卡車整車電力線路圖集大全】+【重型卡車柴油發動機電路與電腦針腳圖集大全】(兩卷) - 【重型卡車柴油發動機電路與電腦針腳圖集大全】
臺北黃**[0960***412]
5分鐘前【重型卡車整車電力線路圖集大全】+【重型卡車柴油發動機電路與電腦針腳圖集大全】(兩卷) - 【重型卡車整車電力線路圖集大全】
嘉義孫**[0938***292]
2分鐘前【重型卡車整車電力線路圖集大全】+【重型卡車柴油發動機電路與電腦針腳圖集大全】(兩卷) - 【重型卡車整車電力線路圖集大全】+【重型卡車柴油發動機電路與電腦針腳圖集大全】(兩卷)
高雄柳**[0933***359]
7分鐘前【重型卡車整車電力線路圖集大全】+【重型卡車柴油發動機電路與電腦針腳圖集大全】(兩卷) - 【重型卡車整車電力線路圖集大全】+【重型卡車柴油發動機電路與電腦針腳圖集大全】(兩卷)
基隆劉**[0966***619]
11分鐘前【重型卡車整車電力線路圖集大全】+【重型卡車柴油發動機電路與電腦針腳圖集大全】(兩卷) - 【重型卡車柴油發動機電路與電腦針腳圖集大全】
基隆劉**[0933***898]
半小時前【重型卡車整車電力線路圖集大全】+【重型卡車柴油發動機電路與電腦針腳圖集大全】(兩卷) - 【重型卡車柴油發動機電路與電腦針腳圖集大全】
基隆孫**[0918***309]
11分鐘前【重型卡車整車電力線路圖集大全】+【重型卡車柴油發動機電路與電腦針腳圖集大全】(兩卷) - 【重型卡車整車電力線路圖集大全】+【重型卡車柴油發動機電路與電腦針腳圖集大全】(兩卷)
高雄鍾**[0918***663]
12分鐘前【重型卡車整車電力線路圖集大全】+【重型卡車柴油發動機電路與電腦針腳圖集大全】(兩卷) - 【重型卡車整車電力線路圖集大全】
基隆楊**[0933***552]
半小時前【重型卡車整車電力線路圖集大全】+【重型卡車柴油發動機電路與電腦針腳圖集大全】(兩卷) - 【重型卡車整車電力線路圖集大全】+【重型卡車柴油發動機電路與電腦針腳圖集大全】(兩卷)
新北陳**[0966***122]
12分鐘前【重型卡車整車電力線路圖集大全】+【重型卡車柴油發動機電路與電腦針腳圖集大全】(兩卷) - 【重型卡車柴油發動機電路與電腦針腳圖集大全】
新竹趙**[0938***879]
4分鐘前【重型卡車整車電力線路圖集大全】+【重型卡車柴油發動機電路與電腦針腳圖集大全】(兩卷) - 【重型卡車柴油發動機電路與電腦針腳圖集大全】
新竹鍾**[0986***703]
15分鐘前【重型卡車整車電力線路圖集大全】+【重型卡車柴油發動機電路與電腦針腳圖集大全】(兩卷) - 【重型卡車整車電力線路圖集大全】
新北謝**[0966***222]
2分鐘前【重型卡車整車電力線路圖集大全】+【重型卡車柴油發動機電路與電腦針腳圖集大全】(兩卷) - 【重型卡車整車電力線路圖集大全】
臺南黃**[0968***141]
5分鐘前【重型卡車整車電力線路圖集大全】+【重型卡車柴油發動機電路與電腦針腳圖集大全】(兩卷) - 【重型卡車整車電力線路圖集大全】
新竹李**[0966***473]
4分鐘前【重型卡車整車電力線路圖集大全】+【重型卡車柴油發動機電路與電腦針腳圖集大全】(兩卷) - 【重型卡車柴油發動機電路與電腦針腳圖集大全】
高雄王**[0986***974]
15分鐘前【重型卡車整車電力線路圖集大全】+【重型卡車柴油發動機電路與電腦針腳圖集大全】(兩卷) - 【重型卡車整車電力線路圖集大全】+【重型卡車柴油發動機電路與電腦針腳圖集大全】(兩卷)
新竹孫**[0932***920]
25分鐘前【重型卡車整車電力線路圖集大全】+【重型卡車柴油發動機電路與電腦針腳圖集大全】(兩卷) - 【重型卡車柴油發動機電路與電腦針腳圖集大全】
新北吳**[0988***274]
5分鐘前【重型卡車整車電力線路圖集大全】+【重型卡車柴油發動機電路與電腦針腳圖集大全】(兩卷) - 【重型卡車柴油發動機電路與電腦針腳圖集大全】
桃園李**[0933***953]
25分鐘前【重型卡車整車電力線路圖集大全】+【重型卡車柴油發動機電路與電腦針腳圖集大全】(兩卷) - 【重型卡車整車電力線路圖集大全】+【重型卡車柴油發動機電路與電腦針腳圖集大全】(兩卷)
臺中劉**[0960***842]
12分鐘前【重型卡車整車電力線路圖集大全】+【重型卡車柴油發動機電路與電腦針腳圖集大全】(兩卷) - 【重型卡車整車電力線路圖集大全】+【重型卡車柴油發動機電路與電腦針腳圖集大全】(兩卷)
新北王**[0988***363]
2分鐘前【重型卡車整車電力線路圖集大全】+【重型卡車柴油發動機電路與電腦針腳圖集大全】(兩卷) - 【重型卡車柴油發動機電路與電腦針腳圖集大全】
新竹朱**[0932***502]
15分鐘前【重型卡車整車電力線路圖集大全】+【重型卡車柴油發動機電路與電腦針腳圖集大全】(兩卷) - 【重型卡車柴油發動機電路與電腦針腳圖集大全】
臺北黃**[0938***594]
7分鐘前【重型卡車整車電力線路圖集大全】+【重型卡車柴油發動機電路與電腦針腳圖集大全】(兩卷) - 【重型卡車整車電力線路圖集大全】
新竹劉**[0932***517]
半小時前【重型卡車整車電力線路圖集大全】+【重型卡車柴油發動機電路與電腦針腳圖集大全】(兩卷) - 【重型卡車整車電力線路圖集大全】+【重型卡車柴油發動機電路與電腦針腳圖集大全】(兩卷)
新北趙**[0932***703]
半小時前【重型卡車整車電力線路圖集大全】+【重型卡車柴油發動機電路與電腦針腳圖集大全】(兩卷) - 【重型卡車柴油發動機電路與電腦針腳圖集大全】
新竹方**[0998***309]
12分鐘前【重型卡車整車電力線路圖集大全】+【重型卡車柴油發動機電路與電腦針腳圖集大全】(兩卷) - 【重型卡車整車電力線路圖集大全】+【重型卡車柴油發動機電路與電腦針腳圖集大全】(兩卷)
新北李**[0960***617]
25分鐘前【重型卡車整車電力線路圖集大全】+【重型卡車柴油發動機電路與電腦針腳圖集大全】(兩卷) - 【重型卡車整車電力線路圖集大全】+【重型卡車柴油發動機電路與電腦針腳圖集大全】(兩卷)
桃園吳**[0968***325]
4分鐘前【重型卡車整車電力線路圖集大全】+【重型卡車柴油發動機電路與電腦針腳圖集大全】(兩卷) - 【重型卡車整車電力線路圖集大全】
臺南鄭**[0986***179]
12分鐘前【重型卡車整車電力線路圖集大全】+【重型卡車柴油發動機電路與電腦針腳圖集大全】(兩卷) - 【重型卡車整車電力線路圖集大全】
臺北王**[0998***334]
7分鐘前【重型卡車整車電力線路圖集大全】+【重型卡車柴油發動機電路與電腦針腳圖集大全】(兩卷) - 【重型卡車整車電力線路圖集大全】+【重型卡車柴油發動機電路與電腦針腳圖集大全】(兩卷)
嘉義張**[0951***857]
25分鐘前【重型卡車整車電力線路圖集大全】+【重型卡車柴油發動機電路與電腦針腳圖集大全】(兩卷) - 【重型卡車柴油發動機電路與電腦針腳圖集大全】
新北仲**[0956***398]
12分鐘前【重型卡車整車電力線路圖集大全】+【重型卡車柴油發動機電路與電腦針腳圖集大全】(兩卷) - 【重型卡車整車電力線路圖集大全】
新竹周**[0946***903]
25分鐘前【重型卡車整車電力線路圖集大全】+【重型卡車柴油發動機電路與電腦針腳圖集大全】(兩卷) - 【重型卡車整車電力線路圖集大全】
桃園謝**[0920***373]
半小時前【重型卡車整車電力線路圖集大全】+【重型卡車柴油發動機電路與電腦針腳圖集大全】(兩卷) - 【重型卡車整車電力線路圖集大全】+【重型卡車柴油發動機電路與電腦針腳圖集大全】(兩卷)
新竹朱**[0933***447]
4分鐘前【重型卡車整車電力線路圖集大全】+【重型卡車柴油發動機電路與電腦針腳圖集大全】(兩卷) - 【重型卡車整車電力線路圖集大全】
新北黃**[0951***183]
2分鐘前【重型卡車整車電力線路圖集大全】+【重型卡車柴油發動機電路與電腦針腳圖集大全】(兩卷) - 【重型卡車柴油發動機電路與電腦針腳圖集大全】
新竹周**[0986***781]
25分鐘前【重型卡車整車電力線路圖集大全】+【重型卡車柴油發動機電路與電腦針腳圖集大全】(兩卷) - 【重型卡車整車電力線路圖集大全】+【重型卡車柴油發動機電路與電腦針腳圖集大全】(兩卷)
嘉義陳**[0938***771]
7分鐘前【重型卡車整車電力線路圖集大全】+【重型卡車柴油發動機電路與電腦針腳圖集大全】(兩卷) - 【重型卡車整車電力線路圖集大全】
新北符**[0998***110]
20分鐘前【重型卡車整車電力線路圖集大全】+【重型卡車柴油發動機電路與電腦針腳圖集大全】(兩卷) - 【重型卡車整車電力線路圖集大全】
新竹楊**[0968***187]
5分鐘前【重型卡車整車電力線路圖集大全】+【重型卡車柴油發動機電路與電腦針腳圖集大全】(兩卷) - 【重型卡車柴油發動機電路與電腦針腳圖集大全】
臺北柳**[0998***925]
25分鐘前【重型卡車整車電力線路圖集大全】+【重型卡車柴油發動機電路與電腦針腳圖集大全】(兩卷) - 【重型卡車整車電力線路圖集大全】+【重型卡車柴油發動機電路與電腦針腳圖集大全】(兩卷)



















